Choose your country or region.

Close
0 Item(s)

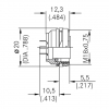
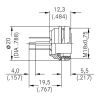
C091 61N004 110 2

Amphenol Tuchel ElectronicsAmphenol Tuchel Electronics
C091 61N004 110 2 Image
Image may be representation. See specifications for product details.

Product Overview

Part Number: C091 61N004 110 2
Manufacturer/Brand: Amphenol Tuchel Electronics
Product description CONN RCPT FMALE DIN 4POS SOLDER
Datasheets: C091 61N004 110 2.pdf
RoHs Status Lead free / RoHS Compliant
Stock Condition 11072 pcs stock
Ship From Hong Kong
Shipment Way DHL/Fedex/TNT/UPS/EMS
In Stock 11072 pcs
Reference Price (In US Dollars)
105 pcs
$3.317
Request Quote
Please complete all required fields with your contact information.Click "SUBMIT RFQ" we will contact you shortly by email. Or Email us:[email protected]
  • Target Price:(USD)
  • Qty:
Total:$3.317

Please give us your target price if quantities greater than those displayed.

  • Part Number
  • Company Name
  • Contact Name
  • E-mail
  • Message

Specifications of C091 61N004 110 2

Part Number C091 61N004 110 2 Manufacturer Amphenol Tuchel Electronics
Description CONN RCPT FMALE DIN 4POS SOLDER Lead Free Status / RoHS Status Lead free / RoHS Compliant
Quantity Available 11072 pcs Data sheet C091 61N004 110 2.pdf
Voltage Rating 60V Termination Solder
Shielding Shielded Shell Size, MIL -
Shell Size - Insert M16-4 Shell Material Die Cast
Shell Finish Nickel Series C091D
Packaging Bulk Other Names C091 61N004 110 2-ND
C09161N0041102
Orientation Keyed Operating Temperature -40°C ~ 100°C
Number of Positions 4 Mounting Type Panel Mount, Through Hole
Mounting Feature - Moisture Sensitivity Level (MSL) 1 (Unlimited)
Lead Free Status / RoHS Status Lead free / RoHS Compliant Ingress Protection IP65/67/69K - Dust Tight, Water Resistant, Waterproof
Features - Fastening Type Threaded
Detailed Description 4 Position Circular Connector Receptacle, Female Sockets Solder Silver Current Rating 10A
Contact Finish Thickness - Mating - Contact Finish - Mating Silver
Connector Type Receptacle, Female Sockets Color Silver

Shipment

★ FREE SHIPPING VIA DHL/FEDEX/UPS IF ORDER AMOUNT OVER 1,000 USD.
(ONLY FOR Integrated Circuits, Circuit Protection, RF/IF and RFID, Optoelectronics, Sensors, Transducers, Transformers, Isolators, Switches, Relays)

FEDEX www.FedEx.com From $35.00 basic shipping fee depend on zone and country.
DHL www.DHL.com From $35.00 basic shipping fee depend on zone and country.
UPS www.UPS.com From $35.00 basic shipping fee depend on zone and country.
TNT www.TNT.com From $35.00 basic shipping fee depend on zone and country.

★ Delivery time will need 2-4 Days to most of country all over the world by DHL/UPS/FEDEX/TNT.

Please feel free to contact us if you have any questions about the shipment. E-mail us [email protected]
FedexDHLUPSTNT

AFTER-SALES GUARANTEE

  1. Each product from Infinity-Semiconductor.com has been given a warranty period of 1 YEAR .During this period , we could provide free technical maintenance if there are any problems about our products.
  2. If you find quality problems about our products after receiving them, you could test them and apply for unconditional refund if it can be proved.
  3. If the products are defective or they don't working, you can return to us within 1 YEAR, all transportation and customs charges of the goods are borne by us.

Related Tags

Related Products

C091 61N003 110 2
C091 61N003 110 2
Manufacturers: Amphenol Tuchel Electronics
Description: CONN RCPT FMALE DIN 3POS SOLDER
In stock: 9199 pcs
Download: C091 61N003 110 2.pdf
RFQ
C091 61N003 120 2
C091 61N003 120 2
Manufacturers: Amphenol Sine Systems Corp
Description: CONN RCPT 3POS PANEL MNT TH SKT
In stock: 8570 pcs
Download: C091 61N003 120 2.pdf
RFQ
C091 61G107 110 2
C091 61G107 110 2
Manufacturers: Amphenol Tuchel Electronics
Description: CONN RCPT FMALE DIN 7POS SOLDER
In stock: 10822 pcs
Download: C091 61G107 110 2.pdf
RFQ
C091 61N003 130 2
C091 61N003 130 2
Manufacturers: Amphenol Tuchel Electronics
Description: CONN RCPT FMALE DIN 3POS SOLDER
In stock: 15414 pcs
Download: C091 61N003 130 2.pdf
RFQ
C091 61G107 120 2
C091 61G107 120 2
Manufacturers: Amphenol Tuchel Electronics
Description: CONN RCPT FMALE DIN 7POS SOLDER
In stock: 8322 pcs
Download: C091 61G107 120 2.pdf
RFQ
C091 61N005 110 2
C091 61N005 110 2
Manufacturers: Amphenol Tuchel Electronics
Description: CONN RCPT FMALE DIN 5POS SOLDER
In stock: 10815 pcs
Download: C091 61N005 110 2.pdf
RFQ
C091 61N005 130 2
C091 61N005 130 2
Manufacturers: Amphenol Sine Systems Corp
Description: CONN RCPT 5POS PANEL MNT TH SKT
In stock: 9686 pcs
Download: C091 61N005 130 2.pdf
RFQ
C091 61N004 130 2
C091 61N004 130 2
Manufacturers: Amphenol Sine Systems Corp
Description: CONN RCPT 4POS PANEL MNT TH SKT
In stock: 7594 pcs
Download: C091 61N004 130 2.pdf
RFQ
C091 61N006 110 2
C091 61N006 110 2
Manufacturers: Amphenol Sine Systems Corp
Description: CONN RCPT 6POS PANEL MNT TH SKT
In stock: 20584 pcs
Download: C091 61N006 110 2.pdf
RFQ
C091 61N005 120 2
C091 61N005 120 2
Manufacturers: Amphenol Tuchel Electronics
Description: CONN RCPT FMALE DIN 5POS SOLDER
In stock: 8740 pcs
Download: C091 61N005 120 2.pdf
RFQ
C091 61N004 120 2
C091 61N004 120 2
Manufacturers: Amphenol Sine Systems Corp
Description: CONN RCPT 4POS PANEL MNT TH SKT
In stock: 8772 pcs
Download: C091 61N004 120 2.pdf
RFQ
C091 61G107 130 2
C091 61G107 130 2
Manufacturers: Amphenol Tuchel Electronics
Description: CONN RCPT FMALE DIN 7POS SOLDER
In stock: 8770 pcs
Download: C091 61G107 130 2.pdf
RFQ

Industry News

Rohm adds 10 automotive SiC mosfets
“The introduction of the SCT3xxxxxHR series allows Rohm to offer the industry’s largest lineup of ...
ON adds to SiC MOSFETs
ON Semiconductor has introduced two SiC MOSFETs aimed at EVs, solar and UPS applications. The indus...
APEC: TI thinks laterally to make ac-dc chip with 15mW stand-by
“This device achieves the best balance between high efficiency and ultra-low noise while shrinking ...
Sponsored Content: SIGLENT SVA1015X Spectrum Analyser
The SIGLENT SVA1015X spectrum analyzer is a very powerful and flexible tool for various measurements...
Semi manufacturing equipment spend expected to decline 14% this year and grow 27% next year
Spurred by a slowdown in the memory sector, the 2019 downturn marks the end of a three-year growth r...
Power Stamp Alliance cuts need for host CPU to monitor PSUs, and adds a reference design
The Alliance (Artesyn Embedded Technologies, Bel Power Solutions, Flex, and STMicroelectronics) has ...
APEC: SiC power and improved cloud-based power tools
Search capabilities have been improved, and there is a carousel-style menu that allows compatible de...
Dengrove adds space-saving DC/DC converters from Recom
They are designed for applications that require high power density and high efficiency and have po...
First military-qualified Arm processor for hi-rel applications
LS1046A is part of NXP’s 64-bit Arm Layerscape portfolio, with a 1.8GHz quad-core Arm Cortex-A72. I...