News

- TDK uses GaN PFC to shrink 500W ac-dc power brick2018-11-05
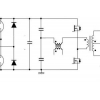
Within the TDK-Lambda-branded PFH500F‑28, a pair of GaN transistors have been used in a ‘bridge-le...

- Tiny SiTime silicon MEMS resonator hits 5ppb accuracy for 5G infrastructure2018-11-05
The devices are based on 100ppb parts released two years ago and, despite now including an oven, mea...

- Self-clinching nuts and studs for automotive thin high-strength steel2018-11-01
Called SH self-clincing nuts and HFLH self-clinching studs are manufactured from hardened alloy. “D...

- Image compression technology to save power in the blink of an eye2018-11-01
Claimed to halve memory bandwidth and footprint, the IP block targets SoC development for consumer a...

- Surrey firm uses Honeywell sensors for Formula 1 and UAVs2018-11-01
“We needed small and accurate board mount pressure sensors. Competitor products we examined couldn...

- Neural network IP aimed at SoCs processing complex speech2018-10-31
Resources are sufficient for far-field voice recognition, where the user is metres away from the mic...

- Eval board for DOSA buck and buck-boost power modules2018-10-30
“These boards provide customers with an effortless way to evaluate these DOSA modules,” said the f...

- VW, Intel, Champion Motors in autonomous EV jv2018-10-30
The jv will address Level 4/5 self-driving MaaS. VW will provide the EVs and knowledge about the des...

- DIN rail power supplies for railway applications2018-10-30
The firm claims 100% greater mains failure bridging time than required by the railway standard EN 50...

- Li-Ion battery ICs in WLCSP2018-10-29
Ricoh has launched single cell Li-Ion battery protection ICs in a Wafer Level Chip Scaled Package (W...

- 600V GaN fets have built-in drivers for easy use from 100W to 10kW2018-10-29
The 50 and 70mΩ devices are intended for applications from 100W up to 10kW. While GaN transistor ha...

- Renesas prepares RX65N MCU for new robot protocol ROS 22018-10-29
Specifically an XRCE-DDS client (‘Micro XRCE-DDS’ from eProsima) has been implemented on Renesas’...
