Choose your country or region.

Close
0 Item(s)

CPH3145-TL-E

AMI Semiconductor / ON SemiconductorAMI Semiconductor / ON Semiconductor
CPH3145-TL-E Image
Image may be representation. See specifications for product details.

Product Overview

Part Number: CPH3145-TL-E
Manufacturer/Brand: AMI Semiconductor / ON Semiconductor
Product description TRANS PNP 50V 2A CPH3
Datasheets: CPH3145-TL-E.pdf
RoHs Status Lead free / RoHS Compliant
Stock Condition 712227 pcs stock
Ship From Hong Kong
Shipment Way DHL/Fedex/TNT/UPS/EMS
In Stock 712227 pcs
Reference Price (In US Dollars)
3000 pcs
$0.041
6000 pcs
$0.038
15000 pcs
$0.036
30000 pcs
$0.033
Request Quote
Please complete all required fields with your contact information.Click "SUBMIT RFQ" we will contact you shortly by email. Or Email us:[email protected]
  • Target Price:(USD)
  • Qty:
Total:$0.041

Please give us your target price if quantities greater than those displayed.

  • Part Number
  • Company Name
  • Contact Name
  • E-mail
  • Message

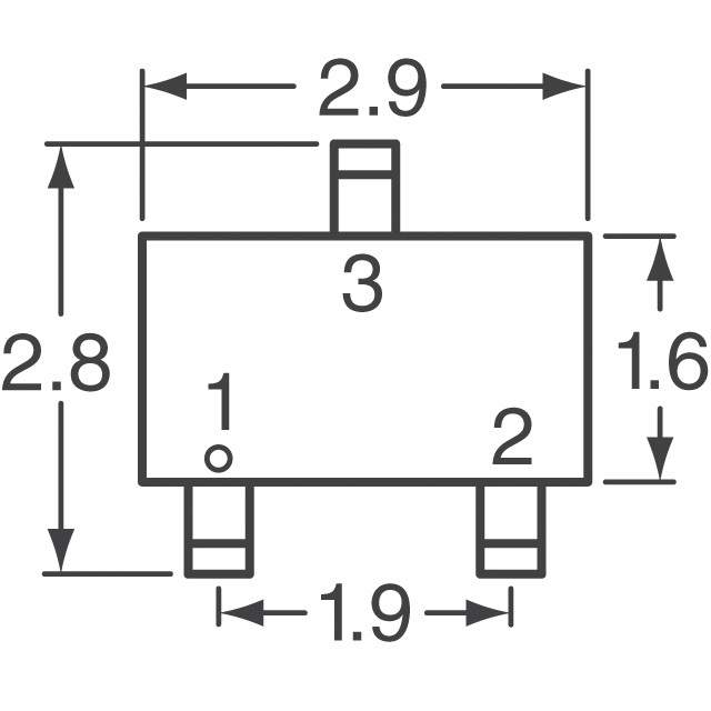
Specifications of CPH3145-TL-E

Part Number CPH3145-TL-E Manufacturer AMI Semiconductor / ON Semiconductor
Description TRANS PNP 50V 2A CPH3 Lead Free Status / RoHS Status Lead free / RoHS Compliant
Quantity Available 712227 pcs Data sheet CPH3145-TL-E.pdf
Voltage - Collector Emitter Breakdown (Max) 50V Vce Saturation (Max) @ Ib, Ic 330mV @ 50mA, 1A
Transistor Type PNP Supplier Device Package 3-CPH
Series - Power - Max 900mW
Packaging Tape & Reel (TR) Package / Case SC-96
Other Names 869-1120-2
CPH3145TLE
Operating Temperature 150°C (TJ)
Mounting Type Surface Mount Moisture Sensitivity Level (MSL) 1 (Unlimited)
Lead Free Status / RoHS Status Lead free / RoHS Compliant Frequency - Transition 420MHz
Detailed Description Bipolar (BJT) Transistor PNP 50V 2A 420MHz 900mW Surface Mount 3-CPH DC Current Gain (hFE) (Min) @ Ic, Vce 200 @ 100mA, 2V
Current - Collector Cutoff (Max) 1µA (ICBO) Current - Collector (Ic) (Max) 2A
Base Part Number CPH3145

Shipment

★ FREE SHIPPING VIA DHL/FEDEX/UPS IF ORDER AMOUNT OVER 1,000 USD.
(ONLY FOR Integrated Circuits, Circuit Protection, RF/IF and RFID, Optoelectronics, Sensors, Transducers, Transformers, Isolators, Switches, Relays)

FEDEX www.FedEx.com From $35.00 basic shipping fee depend on zone and country.
DHL www.DHL.com From $35.00 basic shipping fee depend on zone and country.
UPS www.UPS.com From $35.00 basic shipping fee depend on zone and country.
TNT www.TNT.com From $35.00 basic shipping fee depend on zone and country.

★ Delivery time will need 2-4 Days to most of country all over the world by DHL/UPS/FEDEX/TNT.

Please feel free to contact us if you have any questions about the shipment. E-mail us [email protected]
FedexDHLUPSTNT

AFTER-SALES GUARANTEE

  1. Each product from Infinity-Semiconductor.com has been given a warranty period of 1 YEAR .During this period , we could provide free technical maintenance if there are any problems about our products.
  2. If you find quality problems about our products after receiving them, you could test them and apply for unconditional refund if it can be proved.
  3. If the products are defective or they don't working, you can return to us within 1 YEAR, all transportation and customs charges of the goods are borne by us.

Related Tags

Related Products

CPH3116-TL-E
CPH3116-TL-E
Manufacturers: AMI Semiconductor / ON Semiconductor
Description: TRANS PNP 50V 1A CPH3
In stock: 841973 pcs
Download: CPH3116-TL-E.pdf
RFQ
CPH3121-TL-E
CPH3121-TL-E
Manufacturers: AMI Semiconductor / ON Semiconductor
Description: TRANS PNP 12V 3A CPH3
In stock: 711496 pcs
Download: CPH3121-TL-E.pdf
RFQ
CPH3215-TL-H
CPH3215-TL-H
Manufacturers: AMI Semiconductor / ON Semiconductor
Description: TRANS NPN 30V 1.5A CPH3
In stock: 855366 pcs
Download: CPH3215-TL-H.pdf
RFQ
CPH3212-TL-E
CPH3212-TL-E
Manufacturers: AMI Semiconductor / ON Semiconductor
Description: TRANS NPN 50V 5A CPH3
In stock: 144323 pcs
Download: CPH3212-TL-E.pdf
RFQ
CPH3123-TL-E
CPH3123-TL-E
Manufacturers: AMI Semiconductor / ON Semiconductor
Description: TRANS PNP 50V 3A CPH3
In stock: 847817 pcs
Download: CPH3123-TL-E.pdf
RFQ
CPH3209-TL-E
CPH3209-TL-E
Manufacturers: AMI Semiconductor / ON Semiconductor
Description: TRANS NPN 30V 3A CPH3
In stock: 664944 pcs
Download: CPH3209-TL-E.pdf
RFQ
CPH3205-M-TL-E
CPH3205-M-TL-E
Manufacturers: AMI Semiconductor / ON Semiconductor
Description: TRANS NPN 50V 3A CPH3
In stock: 432430 pcs
Download:
RFQ
CPH3205-TL-E
CPH3205-TL-E
Manufacturers: AMI Semiconductor / ON Semiconductor
Description: TRANS NPN 50V 3A CPH3
In stock: 426938 pcs
Download: CPH3205-TL-E.pdf
RFQ
CPH3122-TL-E
CPH3122-TL-E
Manufacturers: AMI Semiconductor / ON Semiconductor
Description: TRANS PNP 30V 3A CPH3
In stock: 817067 pcs
Download: CPH3122-TL-E.pdf
RFQ
CPH3144-TL-E
CPH3144-TL-E
Manufacturers: AMI Semiconductor / ON Semiconductor
Description: TRANS PNP 30V 2A CPH3
In stock: 5312 pcs
Download: CPH3144-TL-E.pdf
RFQ
CPH3215-TL-E
CPH3215-TL-E
Manufacturers: AMI Semiconductor / ON Semiconductor
Description: TRANS NPN 30V 1.5A CPH3
In stock: 236289 pcs
Download: CPH3215-TL-E.pdf
RFQ
CPH3140-TL-E
CPH3140-TL-E
Manufacturers: AMI Semiconductor / ON Semiconductor
Description: TRANS PNP 100V 1A CPH3
In stock: 202902 pcs
Download: CPH3140-TL-E.pdf
RFQ

Industry News

Rohm adds 10 automotive SiC mosfets
“The introduction of the SCT3xxxxxHR series allows Rohm to offer the industry’s largest lineup of ...
ON adds to SiC MOSFETs
ON Semiconductor has introduced two SiC MOSFETs aimed at EVs, solar and UPS applications. The indus...
APEC: TI thinks laterally to make ac-dc chip with 15mW stand-by
“This device achieves the best balance between high efficiency and ultra-low noise while shrinking ...
Sponsored Content: SIGLENT SVA1015X Spectrum Analyser
The SIGLENT SVA1015X spectrum analyzer is a very powerful and flexible tool for various measurements...
Semi manufacturing equipment spend expected to decline 14% this year and grow 27% next year
Spurred by a slowdown in the memory sector, the 2019 downturn marks the end of a three-year growth r...
Power Stamp Alliance cuts need for host CPU to monitor PSUs, and adds a reference design
The Alliance (Artesyn Embedded Technologies, Bel Power Solutions, Flex, and STMicroelectronics) has ...
APEC: SiC power and improved cloud-based power tools
Search capabilities have been improved, and there is a carousel-style menu that allows compatible de...
Dengrove adds space-saving DC/DC converters from Recom
They are designed for applications that require high power density and high efficiency and have po...
First military-qualified Arm processor for hi-rel applications
LS1046A is part of NXP’s 64-bit Arm Layerscape portfolio, with a 1.8GHz quad-core Arm Cortex-A72. I...